
关注次数:537次
商品类型:截止阀
上架时间:2024-07-02 09:37:28
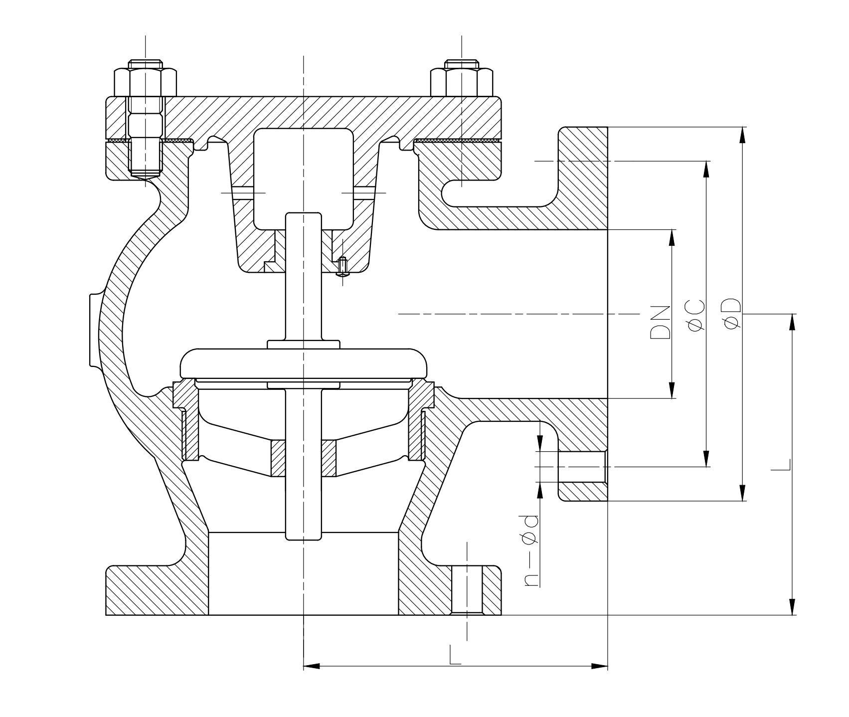
产品描述:品名:日标铸铁升降式角式法兰止回阀设计标准:JIS F7358工作温度:-10~200℃适用介质:淡水、海水、油品操作方式:
咨询电话:4001-588-933
升降式止回阀是一种通过活塞移动来控制阀门开闭的阀门,具有以下优点:
1. 安装简便:升降式止回阀结构简单、安装方便,不需要大量的管道连接与附属设备,节省安装时间和成本。
2. 可靠性高:升降式止回阀采用活塞结构,具有较好的密封性和稳定性,可以确保流体的单向流动,并防止反流液体对阀门造成损坏。
3. 适用范围广:升降式止回阀可用于各种压力、流量和介质的液压系统,适用范围广。