螺旋半凸耳蝶阀-PA视讯泵阀制造(浙江)有限公司官网

PA视讯泵阀制造(浙江)有限公司官网

PA视讯泵阀制造(浙江)有限公司官网

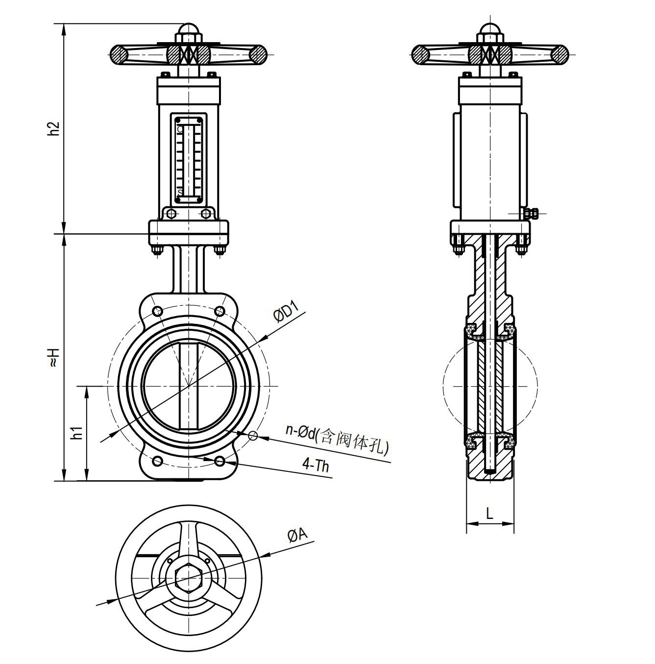
螺旋半凸耳蝶阀

关注次数:531次

商品类型:蝶阀

上架时间:2024-07-01 10:40:39

产品描述:品名:螺旋半凸耳蝶阀D371X  设计标准:GB/T3036  工作温度:-10~90℃ 适用介质:石油、石油相关制品、天然气等 操作方式:手动

咨询电话:4001-588-933

阀门可用于控制空气、水、蒸汽、各种腐蚀性介质、泥浆、油品、液态金属和放射性介质等各种类型流体的流动。在管道上主要起切断和节流作用。蝶阀启闭件是一个圆盘形的蝶板,在阀体内绕其自身的轴线旋转,从而达到启闭或调节的目的。


PA视讯

网站地图